| This powder line is our company design and supply to Bangladesh customer (NOVO Healthcare and Pharma Ltd.). The line is suitable for 26ml, 70ml and 130ml antibiotic glass bottle, and its production capacity is: 24~40bottles/min. Total line is including the following machines: |
|
Enlarge |
|
| CXP Ultrasonic Bottle Washing Machine | |
![]() |
|
| Introduction : | |
| This washer is suitable for small capacity vials, it acquires the reel structure, after the vials have been roughly ultrasonic washed, flush the vials with recycle water, distill water for many times, then blow away the drops by purified compressed air to finish the wash procedure. | |
| This washer has a simple structure, reliable movements and accord with the GMP standards which is the ideal equipment for pharmaceutical and health products manufacturers. | |
| Main Technical Specifications: | |
| Production capacity: 25~40 bottles/min. | |
Application range: 26ml/70ml/130ml bottle |
|
Recycle water flux: 0.5m3 /h Pressure:0.2 ¡« 0.25Mpa |
|
Distilled water flux: 0.5m3 /h Pressure:0.2 ¡« 0.25Mpa |
|
| Purified compressed air consumption rate: 30m3 /h | |
| Pressure: 0.2~0.25MPa | |
| Ultrasonic Power: 0.5Kw | |
| Power: 220V 60Hz | |
| Power: 3Kw | |
| Operating Principle | |
| The vials are arranged by the vial supply plate and enter the thumb wheels, the couple of thumb wheels rotate in opposite directions, in each circle, 3 or 4 vials are stirred into the vial washing drum; the drum does tenth intermittent movement, when the drum pauses, vials enter it, there are 10 groups of vial feeding tracks on the drum, each track is divided into two parts, the first one is the ultrasonic process area and the second one is the wash area. During each pause, the same numbers of vials leave the drum as the ones enter. All the finished vials will be sent in the complete chamber. | |
| Equipment Plan | |
![]() |
|
| GO TO TOP | |
| GMH350 High Temperature Sterilization Tunnel Oven | |
![]() |
|
| Introduction £º | |
| This machine is the support equipment of the liquid, vials production lines which is used for drying and sterilizing different types of glasses. It acquires the far infrared ray quartz tube for heating so that it can raise the temperature very fast, has high thermal efficiency and it can fully sterilize. The cooling segment set 100 classes vertical laminar flow equipment, automatic temperature record and over heating alarm, etc. It is accord with the GMP medicine production specifications. | |
| Main Technical Specifications: | |
Application Range : 26ml/70ml/130 ml / bottle |
|
| Production Capacity: 25~40 vials/min. | |
| Temperature adjustment range: 50~ 350 ¡ãC | |
| Cooling Method: 100 class vertical laminar flow cooling | |
| Effective sterilizing time: £¾ 10 min. in the heated zone | |
| Air Draft: 3400~ 3800m 3 /h Full Pressure 180~320 Pa | |
| Main Power: ¡Ü25KW | |
| Power: 220V 60Hz Three-phase and four-wire system | |
| (shell shall be effectively earthed) | |
| Operating Principle | |
| After decelerated by the reducer, the reducer drives the main shaft to rotate slowly, there are two groups of chain wheel on the shaft. Stainless steel chains are installed on the two sides of the belt conveyer which is driven by the chain wheel to move up and down. The vials need to be sterilized and dried are put on the belt then they are brought through the three zones of pre-heating, high temperature and cooling which fully dries, sterilizes and cools the vials. | |
| The air curtain can lock the quantity of heat within the high temperature box; the heating within the box is accomplished by a group of heating tubes, the temperature can be controlled by the temperature controller and record by the recorder; cooling is provided by the cooling fan, after filtered by the high efficiency filter, the vials are sterilized and dust free. | |
| Structure Plan | |
![]() |
|
| GO TO TOP | |
| FJZ-D Powder Calculating and Packing Machine | |
![]() |
|
| Introduction | |
| This is integrated equipment for antibiotic bottles packing & pressing which automatically complete bottle feeding, bottles packing, can automatically send to press, press and finish. It has a simple structure, reliable movements and stable performance which make it as the ideal equipment for the pharmaceutical factories' packing producing. | |
| Main Technical Specifications | |
| Production Capacity: 20~40 bottles/min; | |
| Applicable Bottle: 25ml/70ml/120ml glass bottles; | |
| Filling Capacity: 10~ 65g ; | |
| Filling Accuracy: ¡À2 £¥¡« ¡À5 £¥ ; | |
| Power:2KW; | |
| Electric Source: 380V 50Hz | |
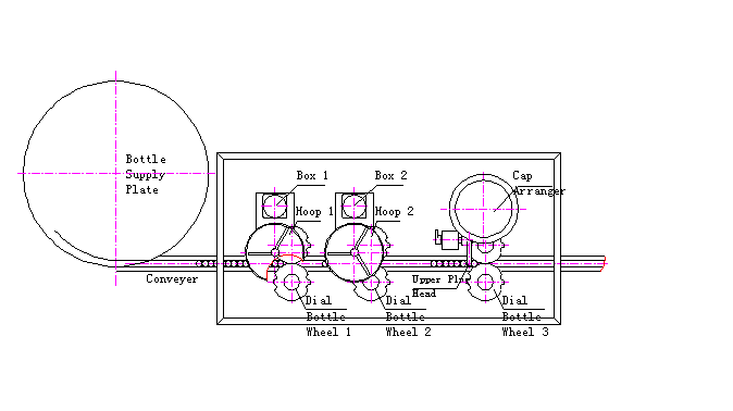
| Plane Structural Presentation | |
![]() |
|
| Operating Principle | |
| The empty bottles are pushed into the Conveyor by Bottle Supply Plate . Before the bottles enter the Dial Bottle Wheel 1 through conveyor in turn, the Powder Filling System 1 to go on filling for one bottle. After finish filling powder, Dial Bottle Wheel has dialed two bottle(one is empty bottle), when these two bottles reach Dial Bottle Wheel 2 , the Powder Filling System 2 will go on fill powder for one of the empty bottle.The two bottles which have been finished filling powder reach the front of Dial Bottle Wheel 3 to go on putting plug, after putting plug, the bottles are conveyed to the next procedure by Dial Bottle Wheel 3 . | |
| Filling Powder: fill the material into the powder hoop, start the mixing powder motor, the motor drives the delivering screw within the hoop to deliver the powder into the filler, when the powder in the powder hoop reaches the height of the observation window, the system can be started (when the height of the powder in the hoop exceeds the center of the observation window, the motor shall be stopped). The rotation screw in the filler can homogenize the powder automatically, the powder is delivered to the measure screw, the photoelectric sensor detected bottle, a signal will be sent to the CIP, CIP sends a pulse to the step motor, the motor operate once according to the preset rotate speed and distance; when the motor rotates, it drives the measure screw to rotate, powder will be pushed into the bottles by the screw. | |
| GO TO TOP | |
| ZSG 3-knife Centrifugal Capping Machine | |
![]() |
|
| Introduction £º | |
| This machine is used to individually place aluminum caps on bottles at given intervals. It has a simple structure and operates efficiently and steadily. It is ideal auxiliary equipment for a bottling production line. | |
| Main Technical Specifications | |
| Suitable bottle: 26ml/70/130ml bottles | |
Production Capacity for 25-40 bottles/min |
|
Placement rate¡Ý99% |
|
| Damaged rate¡Ü0.5% | |
| Power Source: 220V 60Hz Three-phase and four Lines | |
Total Power: 1Kw |
|
| Sketch Map of Plane Structure | |
![]() |
|
| Main Structure | |
| It is composed of a bottles supply tray, two conveyer belts, rotating cap placement wheel and oscillating sorting section. | |
| Operation Principle | |
| The bottles are sent to the supply tray by a conveyer belt. They are sent to empty spaces in the rotating cap placement wheel. The wheel will rotate intermittently. There are four processes: accept the bottles, place the cap on the bottle, clamp the cap and remove the bottles. When the rotating cap placement wheel rotates, one cap is automatically put in position to be placed on the bottle. The caps are put in order and supplied automatically. When the rotating cap placement wheel stops, the cap is dropped on the bottle and fastened. The sealed bottle will be put on the second conveyer belt. | |
| GO TO TOP | |
| XVP-1 Undried Glue Labeling Machine | |
![]() |
|
| Introduction | |
| The fully automated labeling machine, Model JTB produced by our company, is suitable for the labeling many different bottles in the production line. It has many functions, automatically separating the bottles, labeling and rolling. The label sticking is controlled by the advanced microcomputer photoelectrical system, so it is efficient and high quality. This machine is clean, highly reliable, and easy to operate and regulate. So it is the ideal equipment in the production line of medicinal oral liquid. | |
| Main Technical Specifications: | |
| Production Capacity: 40-60 bottles/min; | |
Bottle Specification : 25ml-130ml; |
|
Label Paper Specification:The length is smaller than the circumference of the bottle; |
|
Label Interval: 3 -4m ; |
|
| Label Roll Specification: | |
| ¡¡¡¡¡¡¡¡¡¡¡¡¡¡¡¡¡¡¡¡¡¡¡¡¡¡External diameter¡Ü 350mm ;¡¡Internal Diameter of the paper¦Õ76; | |
| Power of the Machine: 1Kw AC 220V 50Hz. | |
| Electrical Principle | |
| The motor of this machine is single-phase electric capacity motor and the rotational speed is constant. The electric motor of the receiving sticks is a five-phase stepper motor, specially designed for this purpose. This machine is still furnished with the special-purpose heat and print nose. The electric motor is suitable for working below 120 degrees Centigrade. This machine is controlled by a photoelectric switch, stepper motor, sticker apparatus, and all the movements are controlled by PLC. | |
| Plane sketch of the equipment | |
![]() |
|
| GO TO TOP | |