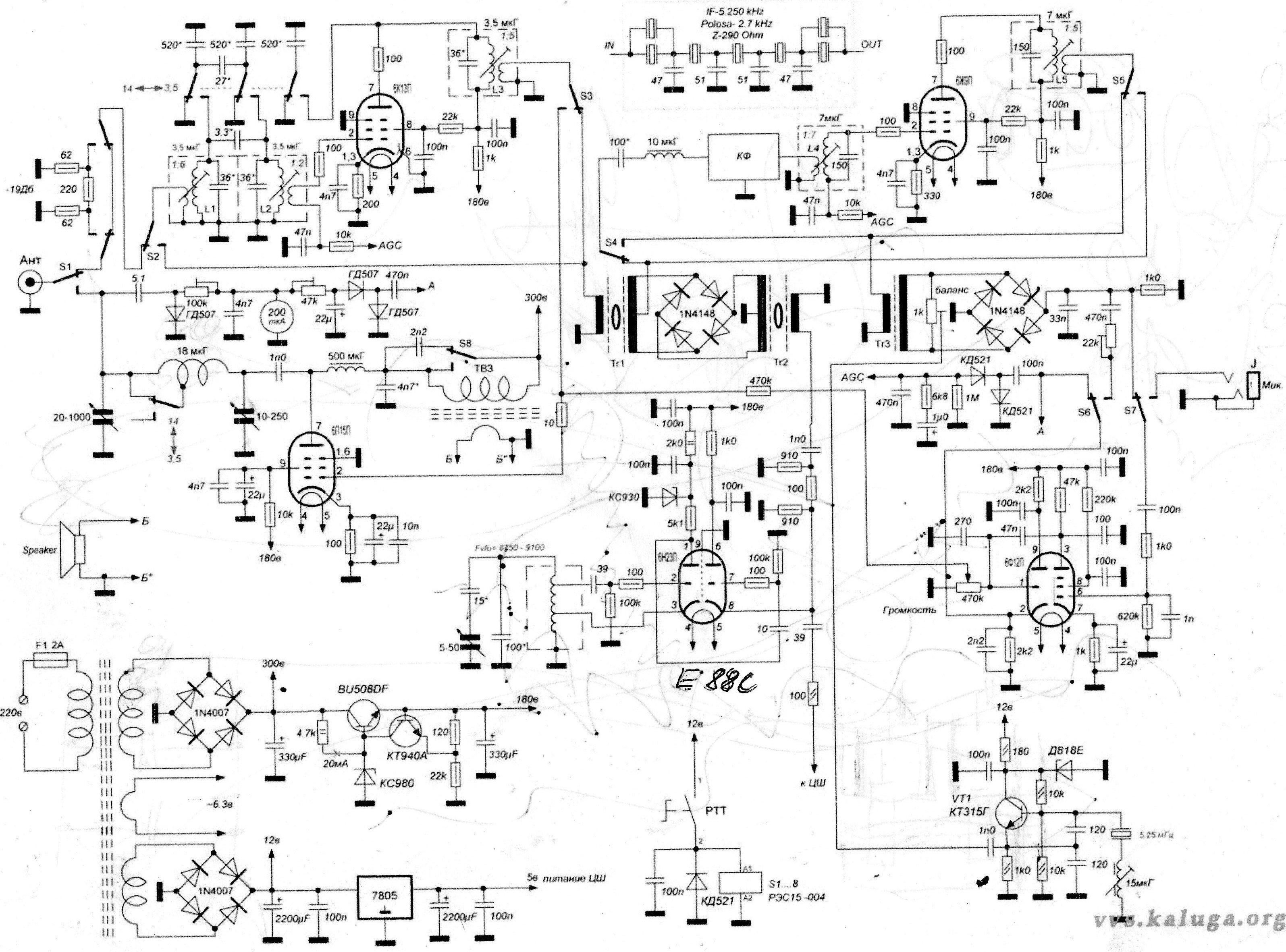
RETRO CSÖVES RÁDIÓ