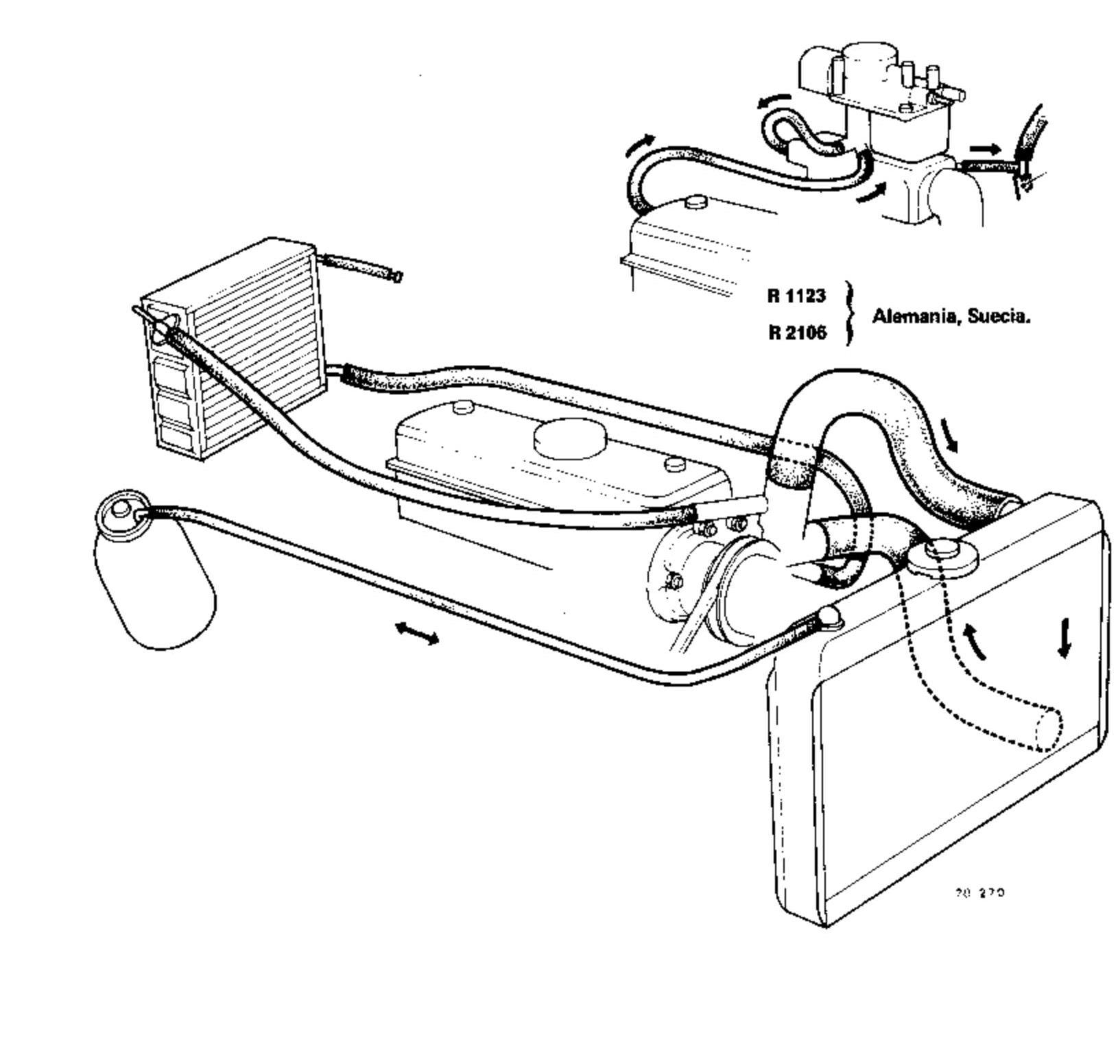
Hütés rendszer                  kép1

Kiegyenlítő tartály (üveg)   kép1

Feltöltési mennyiség     6,3Liter

 

Fűtésrendszer:    kép1