Kapcsolási rajz
Sasszi
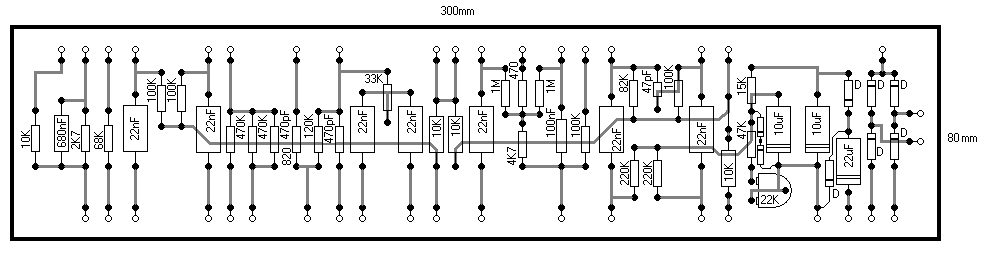
Beültetési rajz
Bekötési rajz
Kép