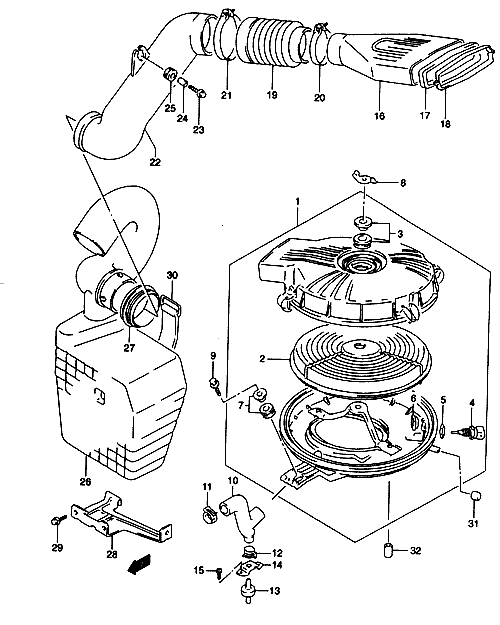
 |
| 1-1 |
13700-60E00 |
CLEANER ASSY AIR |
1 |
|
| 1-2 |
13700-50G00 |
CLEANER ASSY AIR |
1 |
VIN.NO.403005- |
| 2 |
13780-86000 |
FILTER. AIR CLEANER |
1 |
|
| 3 |
13773-60ET0 |
GROMMET SET. COVER |
1 |
|
| 4-1 |
13650-71C00 |
SENSOR. INTAKEAIRTEMP |
1 |
|
| 4-2 |
13650-60G00 |
SENSOR INTAKE AIR TEMP |
1 |
VIN.NO.403005- |
| 5 |
09168-12015 |
GASKET |
1 |
VIN.NO.-403004 |
| 6 |
13774-60B00 |
NUT |
1 |
VIN.NO.-403004 |
| 7 |
13813-60ET0 |
GROMMET SET. CASE |
1 |
|
| 8 |
09144-06006 |
NUT AIR CLEANER |
I |
|
| 9 |
01550-06203 |
BOLT |
1 |
|
| 10-1 |
11191-60E00 |
HOSE BREATHER |
1 |
|
| 10-2 |
11191-50G00 |
HOSE BREATHER |
1 |
VIN.NO.403005- |
| 11 |
09401-18404 |
CLIP |
1 |
|
| 12-1 |
09401-13406 |
CLIP |
1 |
|
| 12-2 |
09401-13414 |
CLIP |
1 |
VIN.NO.403005- |
| 13 |
18118-86500 |
VALVE PCV |
1 |
|
| 14 |
18128-71C00 |
BRACKET PCV VALVE |
1 |
|
| 15 |
02112-35103 |
SCREW |
2 |
|
| 16 |
13790-60B20 |
NOSE AIR CLEANER |
1 |
|
| 17 |
13799-60E00 |
CUSHION NOSE |
1 |
|
| 18 |
13869-80E00 |
CLAMP. AIR SUCTION HOSE |
1 |
|
| 19 |
13881-63B20 |
HOSE. AIR CLEANER iNLET |
1 |
|
| 20 |
13891-80E00 |
CLAMP |
1 |
|
| 21 |
13892-80E00 |
CLAMP |
1 |
|
| 22 |
13860-60B01 |
PIPE. AIR SUCTION |
1 |
|
| 23 |
01550-06253 |
BOLT |
2 |
|
| 24 |
04211-09169 |
SPACER |
2 |
|
| 25 |
13861-60B01 |
CUSHION SUCTIONPIPE |
2 |
|
| 26 |
13760-64B10 |
RESONATOR ASSY |
1 |
|
| 27 |
13766-64B00 |
GROMMET. RESONATOR |
1 |
|
| 28 |
13765-64B02 |
BRACKET. RESONATOR |
1 |
|
| 29 |
01550-06123 |
BOLT |
3 |
|
| 30 |
09462-00015 |
BAND RESONETOR |
1 |
|
| 31 |
09251-07003 |
PLUG. AIR CLEANER |
1 |
|
| 32 |
09251-05006 |
PLUG. AIR CLEANER |
1 |
VIN.NO.403005- |
|