39.Üzemanyag pumpa SF310 SF413
FõmenüVissza az elejéreVisszaElõreJelmagyarázat
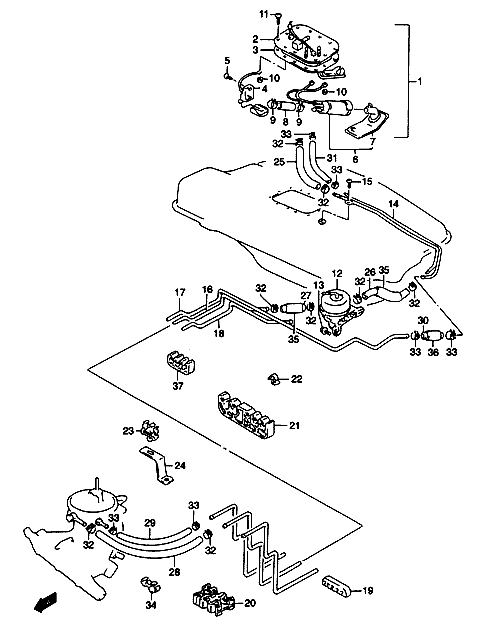
1 15101-60B51 GAUGES PUMP ASSY FUEL 1  
2 34812-60B50 BRACKET. FUEL UNIT 1  
3 34825-60B30 GASKET 1  
4 34811-60B30 GAUGE FUEL LEVEL 1  
5 02112-33063 SCREW 2  
6 15110-80ET0 PUMP SET FUEL 1  
7 15120-60B30 FILTER FUEL 1  
8 15143-60B30 HOSE FUEL OUTLET 1  
9 15146-60B30 CLIP 2  
10 15148-60B30 NUT 3  
11 09136-05045 SCREW(5X10) 12  
12 15401-60B10 FILTER FUEL 1  
13 02162-06123 BOLT 2  
14 15820-60B10 PIPE FUELTANKSIDE 1  
15 02142-05103 SCREW 2  
16-1 15811-80EA0 PIPE FUEL 1 3DR
16-2 15811-80EB0 PIPE FUEL 1 5DR 4DR
17-1 15861-80EA0 PlPE FUEL RETURN 1 3DR
17-2 15861-80EB0 PIPE FUEL RETURN 1 5DR 4DR
18-1 89482-80EA0 PIPE. EVAPO MAIN 1 3DR
18-2 89482-80EB0 PIPE EVAPO MAIN 1 5DR 4DR
19 15887-60E00 RETAINER 1  
20 15882-80EA0 CLAMP FUEL PIPE FRONT 3  
21 15881-50G00 CLAMP. FUEL PIPE 5  
22 09403-06412 CLAMP FUEL PIPE REAR 1  
23 09403-14306 CLIP FUEL HOSE 1 SF413
24 15839-63B01 STAY FUEL HOSE CLIP 1 SF413
25 15857-80E20 HOSE PUMP TO PIPE 1 (L:380-120)
26 15857-80E20 HOSE PIPETOFILTER 1 (L:380-145)
27 15857-80E20 HOSE FlLTER TO PIPE 1 (L:380-120)
28 15857-80E20 HOSE PIPE TO BODY 1 (L:380-360)
29 09356-58128-310 HOSE. BODY TO PIPE 1  
30 09356-58127-600 HOSE. PIPE TO PIPE 1 (L:6OO-140)
31 09356-58127-600 HOSE PIPE TO PUMP 1 (L:6OO-125)
32 09401-11414 CLAMP FUEL HOSE 8  
33 09401-11411 CLAMP FUEL RETURN HOSE 6  
34 09408-00121 CLAMP FUEL HOSE 1  
35 17858-86501 PROTECTOR HOSE 2 (L:415-75)
36-1 09352-13162-600 PROTECTOR HOSE 1 (L:600-75)
36-2 17858-86501 PROTECTOR HOSE 1 SF310:VIN.N0:403005-
      SF413:VIN.N0:404641-
37 15888-60E00 CLAMP 1