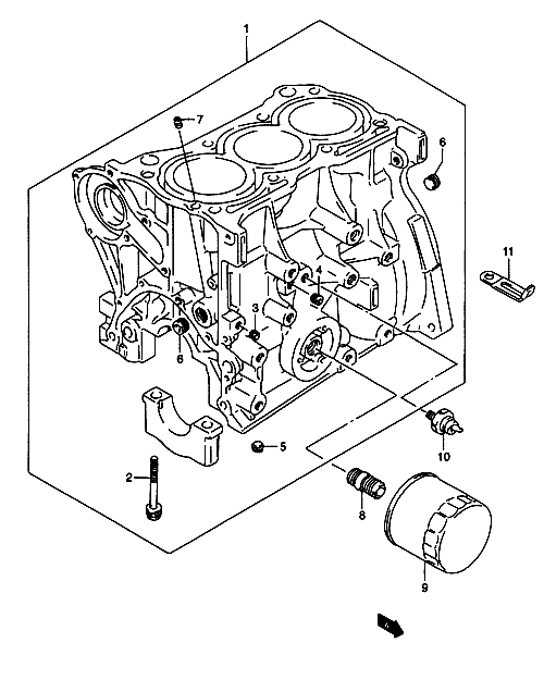
7.Motorblokk,olajszûrõ,olajgomba SF310
FõmenüVissza az elejéreVisszaElõreJelmagyarázat
1 11200-60B02 BLOCK ASSY CYLINDER 1
2 11260-50G00 BOLT CRANK BEARING CAP 8
3 09246-05006 PLUG OIL GALY (1/8PT H:5.5) 1
4 09246-06002 PLUG OIL GALY (1/4PT. H:7.5) 1
5 09246-06002 PLUG OIL GALY (1/4PT H:7.5) 1
6 09246-08002 PLUG OIL GALY (3/8PT H:12) 2
7 11215-60B00 VALVE CHECK 1
8 11241-73003 CONNECTOR OILFILTER 1
9 16510-82703 FILTER ASSY OIL 1
10 37820-82001 SWITCH ASSY OIL PRESSURE 1
11 09404-10205 CLAMP 1