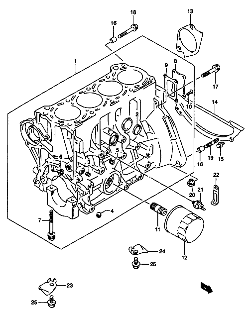
9.Motorblokk,olajszûrõ,olajgomba SF416
FõmenüVissza az elejéreVisszaElõreJelmagyarázat
1 11200-58B21 BLOCK ASSY CYLINDER 1
2 09241-30009 PLUG 4
3 09246-05006 PLUG (1/8PT H:8) 1
4 09246-06002 PLUG (1/4PT H:7.5) 1
5 09246-06002 PLUG (1/4PT H:7.5) 1
6 09246-08002 PLUG (3/8PT H:12) 2
7 11260-60A00 BOLT CRANK BEARING CAP 10
8 11221-60A00 PLATE CYLINDER BLOCK 1
9 11229-60A00 GASKET CYLINDERBLOCKPLATE 1
10 02122-06103 SCREW 4
11 11241-73003 STAND OIL FILTER 1
12 16510-82703 FILTER OIL 1
13 11311-71C00 PLATE STARTINGMOTOR 1
14 11321-71C01 PLATE CLUTCH HOUSING LOWER 1
15 02162-06103 BOLT 2
16 09206-15001 PIN 2
17 01550-12653 BOLT 1
18 01550-12753 BOLT 1
19 09108-12004 STUDBOLT 2
20 08316-10123 NUT 2
21 37820-82001 SWITCH ASSY OIL PRESSURE 1
22 09404-10205 CLAMP 1
23 11213-72F01 PLATE. BREATHER FRONT 1
24 11214-72F01 PLATE BREATHER REAR 1
25 01550-08163 BOLT 2